Podstawa słupa do wmurowania KSU kotwa U o wymiarach 61 x 50 x 200 x 4 mm
Typ powierzchniOcynkowany
Rodzaj łącznikapodstawa słupa
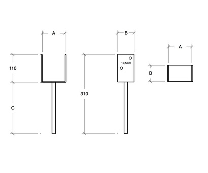
Wymiar A [mm]61
Wymiar B [mm]50
Wymiar C [mm]200
SymbolKSU 60
- PODSTAWA SŁUPA DO WMUROWANIA KSU 60, ŁĄCZNIK BUDOWLANY CIESIELSKI
- Prosty i tani sposób wykonywać połączenia konstrukcji drewnianych.
- Łącznik wmurowuje się w podstawę betonową, wkłada słupek, a następnie przykręca słupek do łącznika.
Produkty subskrypcyjne w twoim koszyku
Ustaw jedną częstotliwość dostaw dla wszystkich produktów subskrypcyjnych z twojego koszyka co:
Produkty subskrypcyjne w twoim koszyku
Najważniejszymi zaletami stosowania podstaw jest:
- prosty i szybki montaż,
- zapewnia odpowiednia dylatację drewna od podłoża.
W celu zabezpieczenia kątowników przed korozją, wykonane są one z blachy stalowej ocynkowanej ogniowo.
Cena za 1 sztukę. Waga 1 sztuki = około 0,7kg.
Dane techniczne:
- Typ montażu: Do zabetonowania
- Kształt słupa drewnianego: Kantówka
- Rozmiar: Stały rozmiar
- Materiał: Blacha stalowa 4 mm, pręt zbrojeniowy fi 18 mm
- System ochronny: Ocynk ogniowy
Wymiary:
- 61X50X200mm
- Otwory montażowe: 10,5 mm
- Blacha 4mm - ocynk ogniowy
- Pręt zbrojeniowy - Ø 14 mm
Marka
Symbol
KSU60/33060
Kod producenta
5903111056438
Gwarancja
Typ powierzchni
Ocynkowany
Typ
do wmurowania
Rodzaj łącznika
podstawa słupa
Wymiar A [mm]
61
Wymiar B [mm]
50
Wymiar C [mm]
200
Pręt zbrojeniowy
14 mm
Średnica otworów montażowych [mm]
10,5
Mocowanie:
Wkręty do drewna ø10 lub śruby M10
Grubość blachy [mm]
4
Symbol
KSU 60
24 miesiące gwarancji
24 miesięczna gwarancja wydawana przez producenta dla konsumentów. 12 miesięcy dla przedsiębiorców.
Zapytaj o produkt
Dodaj opinię
Niepotwierdzona zakupem
Ocena: /5







